Baterie / autobaterie / nabijecka
-
zirafak
- Test driver

- Příspěvky: 8970
- Registrován: 02.02.2008 03:18
Re: Baterie
Uz kopec ludi sa presvedcilo o tom,ze baterie Ford Motorcraft su cenovo velmi prijatelne a vydrzou neprekonatelne.Precitaj si a zistis.
- misoka
- Pokročilý

- Příspěvky: 951
- Registrován: 02.02.2008 03:18
- Bydliště: Bratislava
- Kontaktovat uživatele:
Re: Baterie
No mozno su kvalitne , cize vydrzia dlhsie , ale inac nevidim dovod , preco by si tam nemohol dat bateriu rovnakych parametrov a pojde mu podla mna bez najmensich problemov , mozno mu nevydrzi 6rokov , ale len 4-5 , ale ked bude o tretinu lacnejsia , tak nevidim dovod , preco ju nekupit. Nic zleho ti to s autom urcite nespravi.
A este na margo silnejsej baterie oproti povodnej slabsej. Alternator pokial ma pamat neklame ma regulator, cize silnejsiu baterku tak rychlo nedobijes ako tu slabsiu na ktoru bol navrhovany , lebo sa nebude nabijat dostatocnym prudom a tym padom to bude dlhsie trvat. Ale zeby sa ti mal znicit alternator
pochybujem
A este na margo silnejsej baterie oproti povodnej slabsej. Alternator pokial ma pamat neklame ma regulator, cize silnejsiu baterku tak rychlo nedobijes ako tu slabsiu na ktoru bol navrhovany , lebo sa nebude nabijat dostatocnym prudom a tym padom to bude dlhsie trvat. Ale zeby sa ti mal znicit alternator
FORD FOCUS mk 3 1.6 Ecoboost 2011
FORD FOCUS ST 2.5T (166 kw), 3/2008, ST3, snow white, STOCK
FORD FOCUS 2,1.6 TI-VCT (95.1kw), 10/2005, Ghia first edition
Ford Focus 2 kombi , 1.8 tdci (85kw) , 10/2005
Skoda Favorit 135 Sport 1990
FORD FOCUS ST 2.5T (166 kw), 3/2008, ST3, snow white, STOCK
FORD FOCUS 2,1.6 TI-VCT (95.1kw), 10/2005, Ghia first edition
Ford Focus 2 kombi , 1.8 tdci (85kw) , 10/2005
Skoda Favorit 135 Sport 1990
-
bag
- Nováček

- Příspěvky: 35
- Registrován: 17.03.2008 09:47
Re: Baterie
Mna originalny akumulator 70Ah/680A Motorcraft dost sklamal, ked sa odporucal uz po 4 rokoch. Preveril som si cenu za original, doplatil som si o 300Skk viac a mam Banner UniBull 80Ah/720A. Vyrobca sa chvali, ze tento aku dokaze dodavat v zimnych mesiacoch az o 30perc. viac energie a ma trojbodove ulozenie, vdaka comu su clanky udajne ochranene pred vybraciami, otrasmi a tak znamym zbortenim. Sluzi mi zatial velmi dobre.
Ford Focus 2003, 1.8tdci 85kW, GHIA
- pelen
- Test driver

- Příspěvky: 9259
- Registrován: 02.02.2008 03:18
- Bydliště: Nový Jičín
- Kontaktovat uživatele:
Re: Baterie
to Hadzim:
- dobijeni baterky neni rizene teplotnim cidlem
- regulator altiku u focusu je nastaven na baterku s calciem, a proto je o cca 0,3-0,5V
vyssi nabijeci napeti, je to dano chemii a ne vyrobcem baterky
- pri nasazeni baterky s vetsi Ah ma alternator duvod pro pretizeni jen pri hlubsim
vybiti, protoze regulator je napetovy, baterka ma mensi vnitrni odpor a altik je nucen
dodavat vetsi proud
- dobijeni baterky neni rizene teplotnim cidlem
- regulator altiku u focusu je nastaven na baterku s calciem, a proto je o cca 0,3-0,5V
vyssi nabijeci napeti, je to dano chemii a ne vyrobcem baterky
- pri nasazeni baterky s vetsi Ah ma alternator duvod pro pretizeni jen pri hlubsim
vybiti, protoze regulator je napetovy, baterka ma mensi vnitrni odpor a altik je nucen
dodavat vetsi proud
-
Hadzim
- Nováček

- Příspěvky: 4
- Registrován: 26.03.2008 11:37
Re: Baterie
to Pelen:
- já netvrdím, že dobíjení AKU je řízené teplotním čidlem, jen říkám, že u některých typů je dobíjecí napětí ovlivněno teplotou baterie, což je znsčná odlišnost od jiných vozidel
- dále tvrdím, že Fordy potřebují speciální baterku a ne každou s obdobnými hodnotami, prostě potřebují jinou konstrukci baterie
- máš pravdu je že se toto přehřívání alternátoru může projevovat při hlubším vybití AKU, ale v podstatě je alternátor přetěžován neustále, protože jak jsi sám řekl, je nucen vyrábět více proudu a nikdo není schopen ovlivnit míru vybití baterky. Když prostě nemám dlouhé jízdy a jen popojíždím po městě, prostě tu baterku vybiju ať chci nebo nechci.
Ale díky za informaci o tom calciu, to je věc kterou jsem hledal, jaká je to přesně směs elektrolitu? Nebo jak se to označuje v běžném prodeji? Díky za odpověď.
- já netvrdím, že dobíjení AKU je řízené teplotním čidlem, jen říkám, že u některých typů je dobíjecí napětí ovlivněno teplotou baterie, což je znsčná odlišnost od jiných vozidel
- dále tvrdím, že Fordy potřebují speciální baterku a ne každou s obdobnými hodnotami, prostě potřebují jinou konstrukci baterie
- máš pravdu je že se toto přehřívání alternátoru může projevovat při hlubším vybití AKU, ale v podstatě je alternátor přetěžován neustále, protože jak jsi sám řekl, je nucen vyrábět více proudu a nikdo není schopen ovlivnit míru vybití baterky. Když prostě nemám dlouhé jízdy a jen popojíždím po městě, prostě tu baterku vybiju ať chci nebo nechci.
Ale díky za informaci o tom calciu, to je věc kterou jsem hledal, jaká je to přesně směs elektrolitu? Nebo jak se to označuje v běžném prodeji? Díky za odpověď.
- pelen
- Test driver

- Příspěvky: 9259
- Registrován: 02.02.2008 03:18
- Bydliště: Nový Jičín
- Kontaktovat uživatele:
Re: Baterie
http://www.baterie-shop.cz/autobaterie- ... -2_89.html
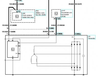
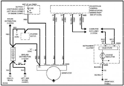
V obvodu regulace altiku neni zadne teplotni cidlo:
V obvodu regulace altiku neni zadne teplotni cidlo:
- kachnak
- Junior

- Příspěvky: 226
- Registrován: 02.02.2008 03:18
- Bydliště: Šaľa SK
- Kontaktovat uživatele:
Re: Baterie
zdravím bolo by možné mať v aute dve batérie? jednu by som chcel mat v zadu v kufri za sedackami.. a z nej by bolo napajane iba cele audio v aute... a ta co je povodne v aute by napajala vsetko ostatne... slo by to nejak vymyslet? a ako by sa to dobajalo.. trebalo by dalsi alternator? ...alebo by mohol dobijat dve baterky naraz?.. ak by boli rovnake.. presne..
mam problem ze stale sa mi vybija baterka ked pocuvam radio pri vypnutom motore a uz nejde nastartovat... a to ja tak pocuvam casto.. preto tato otazka na dve baterie.. vdaka..
mam problem ze stale sa mi vybija baterka ked pocuvam radio pri vypnutom motore a uz nejde nastartovat... a to ja tak pocuvam casto.. preto tato otazka na dve baterie.. vdaka..
Audi S3 1.8T 154kw 210koni 1999
bol Ford Focus 1.8 16V hatchback 1999 3dv.
bol Ford Focus 1.8 16V hatchback 1999 5dv.
Život je príliš krátky, tak nejazdi pomaly
bol Ford Focus 1.8 16V hatchback 1999 3dv.
bol Ford Focus 1.8 16V hatchback 1999 5dv.
Život je príliš krátky, tak nejazdi pomaly
- Peter
- Junior

- Příspěvky: 326
- Registrován: 02.02.2008 03:18
- Bydliště: Zlate Moravce
Re: Baterie
ked ti nestiha dobit jednu tak dve ti asi nedobije tiez , daj tam radsej silnejsiu bateriu aspon 70 ah a predlzis tym dobu vydrze baterie ale aj tak budes musiet dobijat mimo auta alebo ak mas auto v garazi napoj ho na udrziavaciu nabijacku... 
Ford Focus r.v. 99 1.8TDDi Trend 3dv Panther black


-
chmelko
- Test driver

- Příspěvky: 9134
- Registrován: 02.02.2008 03:18
- Bydliště: Jablonec nad Nisou
Re: Baterie
osobne som mal prave auto, ktoré malo dve baterky, bola to nejaka severská verzia ..ako to ale mali vyriesene netusimkachnak píše:zdravím bolo by možné mať v aute dve batérie?
- kachnak
- Junior

- Příspěvky: 226
- Registrován: 02.02.2008 03:18
- Bydliště: Šaľa SK
- Kontaktovat uživatele:
Re: Baterie
a da sa kupit nejaky ukazovac stavu baterie? take daco ako je na mobile ze by ukazovalo kolko este vydrzi... voltmeter by to asi nevedel ukazovat ci hej?
a silnejší alternátor na focusa kde sa da zohnat a kolko by vysiel?..
a silnejší alternátor na focusa kde sa da zohnat a kolko by vysiel?..
Naposledy upravil(a) kachnak dne 05.04.2008 21:50, celkem upraveno 1 x.
Audi S3 1.8T 154kw 210koni 1999
bol Ford Focus 1.8 16V hatchback 1999 3dv.
bol Ford Focus 1.8 16V hatchback 1999 5dv.
Život je príliš krátky, tak nejazdi pomaly
bol Ford Focus 1.8 16V hatchback 1999 3dv.
bol Ford Focus 1.8 16V hatchback 1999 5dv.
Život je príliš krátky, tak nejazdi pomaly
-
chmelko
- Test driver

- Příspěvky: 9134
- Registrován: 02.02.2008 03:18
- Bydliště: Jablonec nad Nisou
Re: Baterie
no jasne ze da, a je to aj velmi jednoducha montáž 
- kachnak
- Junior

- Příspěvky: 226
- Registrován: 02.02.2008 03:18
- Bydliště: Šaľa SK
- Kontaktovat uživatele:
Re: Baterie
hej? a co mam teda kupit na stav baterie? voltmeter? tie maju za 500sk budikove... alebo nejaky iny nastroj na meranie kapacity?.....nech viem ze v akom je stave stale..
Audi S3 1.8T 154kw 210koni 1999
bol Ford Focus 1.8 16V hatchback 1999 3dv.
bol Ford Focus 1.8 16V hatchback 1999 5dv.
Život je príliš krátky, tak nejazdi pomaly
bol Ford Focus 1.8 16V hatchback 1999 3dv.
bol Ford Focus 1.8 16V hatchback 1999 5dv.
Život je príliš krátky, tak nejazdi pomaly
- Alonso68
- Junior

- Příspěvky: 216
- Registrován: 02.02.2008 03:18
- Bydliště: u Staré Boleslavi
- Kontaktovat uživatele:
Re: Baterie
Problém bude v tom, že muzika baterku nezatíží jako startér - takže ukazatel stavu baterie bude ukazovat v pohodě, jenže při následném startu může napětí spadnout a už motor nenatočíš.
FF Combi 1.6 16V 2004 Silver
C-max 1,6 benzin 2009 Blue
Škoda Yeti 1,4 TSI 2012
C-max 1,6 benzin 2009 Blue
Škoda Yeti 1,4 TSI 2012
- pelen
- Test driver

- Příspěvky: 9259
- Registrován: 02.02.2008 03:18
- Bydliště: Nový Jičín
- Kontaktovat uživatele:
Re: Baterie
to kachnak:
Nemuzes poslouchat audio v aute pri soucasne zapnute nabijecce? To by bylo jednodussi nez pouzit solo baterii.
Nemuzes poslouchat audio v aute pri soucasne zapnute nabijecce? To by bylo jednodussi nez pouzit solo baterii.
- stigi
- Zkušený

- Příspěvky: 1354
- Registrován: 02.02.2008 03:18
- Bydliště: Zlínsko
- Kontaktovat uživatele:
Re: Baterie
Baterku v motorovem prostoru a druhou v kufru propojit pres rele 180A (ke spinani dobijeni druhe baterie) kabelem 35mm2. Kabelem stejneho prurezu obe baterky ukostrit. Ke kazde baterce co nejbliz pojistku 150A.
Kdo je online
Uživatelé prohlížející si toto fórum: Žádní registrovaní uživatelé a 6 hostů




