Elektricke sklapeni zrcatek
- jenikHK
- Moderátor

- Příspěvky: 3153
- Registrován: 10.03.2008 14:30
- Bydliště: Praha
Re: Elektricke sklapeni zrcatek
Ahoj,
Nasel jsem na ebay el. Sklopná zrcátka za rozumný peníz - netusite, zda se liší zrcátka pro C-max predFL a po FL? Předpokládám jiný konektor, ale stačilo by napr. U predFL Konektor střihnout a osadit odpovidajici tomu v autě?
A kolik pinu je osazeno v konektoru, když má mit zrcátko sklápění? Popis na ebay je takový zmatený...
Díky.
Nasel jsem na ebay el. Sklopná zrcátka za rozumný peníz - netusite, zda se liší zrcátka pro C-max predFL a po FL? Předpokládám jiný konektor, ale stačilo by napr. U predFL Konektor střihnout a osadit odpovidajici tomu v autě?
A kolik pinu je osazeno v konektoru, když má mit zrcátko sklápění? Popis na ebay je takový zmatený...
Díky.
Ford C-Max 1.8i 16V, 2010, Titanium
Byl: Ford Focus 1.8 TDdi kombi, 1999, ghia
Byl: Ford Sierra 2.0i DOHC kombi, 1989, LX
Byl: Ford Focus 1.8 TDdi kombi, 1999, ghia
Byl: Ford Sierra 2.0i DOHC kombi, 1989, LX
- ZaQik
- Admin

- Příspěvky: 25163
- Registrován: 30.05.2010 17:33
- Bydliště: exit 82 na D0
Re: Elektricke sklapeni zrcatek
tohle si precti: http://www.ford-focus.cz/forum/viewtopi ... 83&t=42364
Ford Focus mk3 combi 1.6 Ti-VCT, r.v.2018 + Ford Fiesta mk7 3D 1.25, r.v.2014
byl Ford Focus mk2 combi 1.6, r.v.2009 + Ford Fiesta mk6 1.4 TDCi r.v. 2004
Nejsem poradna, encyklopedie ani hotline spolecnosti Ford - ptejte se na foru, od toho je.
byl Ford Focus mk2 combi 1.6, r.v.2009 + Ford Fiesta mk6 1.4 TDCi r.v. 2004
Nejsem poradna, encyklopedie ani hotline spolecnosti Ford - ptejte se na foru, od toho je.
- jenikHK
- Moderátor

- Příspěvky: 3153
- Registrován: 10.03.2008 14:30
- Bydliště: Praha
Re: Elektricke sklapeni zrcatek
Dekuju moc za nasmerovani - pokud bych teda sehnal ty pred FL zrcátka a jal se je osadit na po FL auto, coz snad chápu dobre, ze jde, samozřejmě s podmínkou přehozeni napájení natáčení zrcatek, tak bych potřeboval správný konektor kabelaze zrcatek. Netusite prosim, co je to zac?
Ford C-Max 1.8i 16V, 2010, Titanium
Byl: Ford Focus 1.8 TDdi kombi, 1999, ghia
Byl: Ford Sierra 2.0i DOHC kombi, 1989, LX
Byl: Ford Focus 1.8 TDdi kombi, 1999, ghia
Byl: Ford Sierra 2.0i DOHC kombi, 1989, LX
- ZaQik
- Admin

- Příspěvky: 25163
- Registrován: 30.05.2010 17:33
- Bydliště: exit 82 na D0
Re: Elektricke sklapeni zrcatek
pouzij konektor ze stavajich zrcatek 
Ford Focus mk3 combi 1.6 Ti-VCT, r.v.2018 + Ford Fiesta mk7 3D 1.25, r.v.2014
byl Ford Focus mk2 combi 1.6, r.v.2009 + Ford Fiesta mk6 1.4 TDCi r.v. 2004
Nejsem poradna, encyklopedie ani hotline spolecnosti Ford - ptejte se na foru, od toho je.
byl Ford Focus mk2 combi 1.6, r.v.2009 + Ford Fiesta mk6 1.4 TDCi r.v. 2004
Nejsem poradna, encyklopedie ani hotline spolecnosti Ford - ptejte se na foru, od toho je.
- jenikHK
- Moderátor

- Příspěvky: 3153
- Registrován: 10.03.2008 14:30
- Bydliště: Praha
Re: Elektricke sklapeni zrcatek
Mno, to je samozřejmě taky možnost, ale radši bych si stávající zrcátka nechal jako uloženku.
A dále ještě prosím, existuje schema dveřní kabelaze? Ptám se, ze bude zřejmě potřeba doplnit vedeni pro sklapani. Výše je ten link na dodelavku s rele, coz se mi tak úplně nehodí...
Hlavně přemýšlím, zda se do toho vůbec pouštět - dle 7zap mam v aute kabeláž, které chybí sklapeni :/, ale netuším, v čem všem se od sebe liší.
Zase na druhou stranu, kably pro zadní vyskace v aute byly i když původně výšky chyběly. Zase nezbude nic jiného, než to rozvrtat
A dále ještě prosím, existuje schema dveřní kabelaze? Ptám se, ze bude zřejmě potřeba doplnit vedeni pro sklapani. Výše je ten link na dodelavku s rele, coz se mi tak úplně nehodí...
Hlavně přemýšlím, zda se do toho vůbec pouštět - dle 7zap mam v aute kabeláž, které chybí sklapeni :/, ale netuším, v čem všem se od sebe liší.
Zase na druhou stranu, kably pro zadní vyskace v aute byly i když původně výšky chyběly. Zase nezbude nic jiného, než to rozvrtat
Ford C-Max 1.8i 16V, 2010, Titanium
Byl: Ford Focus 1.8 TDdi kombi, 1999, ghia
Byl: Ford Sierra 2.0i DOHC kombi, 1989, LX
Byl: Ford Focus 1.8 TDdi kombi, 1999, ghia
Byl: Ford Sierra 2.0i DOHC kombi, 1989, LX
- ZaQik
- Admin

- Příspěvky: 25163
- Registrován: 30.05.2010 17:33
- Bydliště: exit 82 na D0
Re: Elektricke sklapeni zrcatek
mas auto poFL, tam se dodelavaji draty mezi zrcatkem a dvernim modulem + mezi tlacitkem na sklapeni a dvernim modulem
koukni kolik a jake piny mas v konektorech u zrcatek ted
koukni kolik a jake piny mas v konektorech u zrcatek ted
Ford Focus mk3 combi 1.6 Ti-VCT, r.v.2018 + Ford Fiesta mk7 3D 1.25, r.v.2014
byl Ford Focus mk2 combi 1.6, r.v.2009 + Ford Fiesta mk6 1.4 TDCi r.v. 2004
Nejsem poradna, encyklopedie ani hotline spolecnosti Ford - ptejte se na foru, od toho je.
byl Ford Focus mk2 combi 1.6, r.v.2009 + Ford Fiesta mk6 1.4 TDCi r.v. 2004
Nejsem poradna, encyklopedie ani hotline spolecnosti Ford - ptejte se na foru, od toho je.
- jenikHK
- Moderátor

- Příspěvky: 3153
- Registrován: 10.03.2008 14:30
- Bydliště: Praha
Re: Elektricke sklapeni zrcatek
Děkuji za další nasměrování - pokud by byl rozdíl v kabeláži jen k zrcátkům a tlačítku ovládání, tak je to v poho
Mrknul jsem, co je v autě v pravých dveřích, abych dostal jednoznačnou odpověď a teda bez sundání celého tapecu nejsem schopen se podívat, kolik drátků jde do konektoru ze dveří - kabel je moc krátký.
Takže, konektor je tenhle 8-pinový, 7 pinů je obsazeno (jde ven do zrcátka. Vypadá to, že 7 různých kablíků jde i z auta, ale to tipuju jen podle fotky. zdá se mi, že stejné konektory mají Mk2 C-Maxy?
Co jsem našel před FL zrcátka s 10-pinovými konektory na ebay, tak mají taky obsazeno 7 pinů, ale kabliku leze z konektoru 9. Což mi hlava nebere
.
Jestli by teda nebyla cesta přemontování motorků sklápění zrcátek? Jestli by teda šlo použít i ty před FL zrcátka...
Mrknul jsem, co je v autě v pravých dveřích, abych dostal jednoznačnou odpověď a teda bez sundání celého tapecu nejsem schopen se podívat, kolik drátků jde do konektoru ze dveří - kabel je moc krátký.
Takže, konektor je tenhle 8-pinový, 7 pinů je obsazeno (jde ven do zrcátka. Vypadá to, že 7 různých kablíků jde i z auta, ale to tipuju jen podle fotky. zdá se mi, že stejné konektory mají Mk2 C-Maxy?
Co jsem našel před FL zrcátka s 10-pinovými konektory na ebay, tak mají taky obsazeno 7 pinů, ale kabliku leze z konektoru 9. Což mi hlava nebere
Jestli by teda nebyla cesta přemontování motorků sklápění zrcátek? Jestli by teda šlo použít i ty před FL zrcátka...
Ford C-Max 1.8i 16V, 2010, Titanium
Byl: Ford Focus 1.8 TDdi kombi, 1999, ghia
Byl: Ford Sierra 2.0i DOHC kombi, 1989, LX
Byl: Ford Focus 1.8 TDdi kombi, 1999, ghia
Byl: Ford Sierra 2.0i DOHC kombi, 1989, LX
- ZaQik
- Admin

- Příspěvky: 25163
- Registrován: 30.05.2010 17:33
- Bydliště: exit 82 na D0
Re: Elektricke sklapeni zrcatek
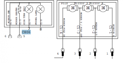
u poFL je jen 8 pinu:
C806 - vnejsi zrcatko
1 - zluto-modry - ovladani naklopeni osa X
2 - bily - ovladani naklopeni osa X / Y
3 - modro-cerveny - ovladani naklopeni osa Y / FOLD OUT
4 - bilo-zeleny - FOLD IN
5 - zeleno-cerny - vyhrev
6 - cerny - kostra
7 - modro-cerveny - blinkr
8 - oranzovo-bily - osvetleni nastupu
C806 - vnejsi zrcatko
1 - zluto-modry - ovladani naklopeni osa X
2 - bily - ovladani naklopeni osa X / Y
3 - modro-cerveny - ovladani naklopeni osa Y / FOLD OUT
4 - bilo-zeleny - FOLD IN
5 - zeleno-cerny - vyhrev
6 - cerny - kostra
7 - modro-cerveny - blinkr
8 - oranzovo-bily - osvetleni nastupu
Ford Focus mk3 combi 1.6 Ti-VCT, r.v.2018 + Ford Fiesta mk7 3D 1.25, r.v.2014
byl Ford Focus mk2 combi 1.6, r.v.2009 + Ford Fiesta mk6 1.4 TDCi r.v. 2004
Nejsem poradna, encyklopedie ani hotline spolecnosti Ford - ptejte se na foru, od toho je.
byl Ford Focus mk2 combi 1.6, r.v.2009 + Ford Fiesta mk6 1.4 TDCi r.v. 2004
Nejsem poradna, encyklopedie ani hotline spolecnosti Ford - ptejte se na foru, od toho je.
- jenikHK
- Moderátor

- Příspěvky: 3153
- Registrován: 10.03.2008 14:30
- Bydliště: Praha
Re: Elektricke sklapeni zrcatek
Děkuji - teda snad čím víc se v tom rejpám, tak jsem z toho víc jelen.
Barvy "samozřejmě" nesedějí, to bych měl asi moc snadný - z fotky poznám akorát dva:
1 - zeleno-žlutý
5 - žluto-černý
Ale budu předpokládat, že zapojení konektoru je stejné a jsou jen jiné barvy a že je použito všech 8 pinů.
Dokonce jsem se dopátral i konektorů, který je od molexu, našel jsem i kde ho koupit, ale ještě potřebuju vyslídit piny a taky konektor tlačítka.
Nicméně:
Klidně bych i koupil ty předFL zrcátka a předělal konektor, jen nechápu, jak je to u nich zapojené, když el. sklopná zrcátka pro předFL auta mají zapojeno jen 7 pinů / 9 drátků na 10 pinovém konektoru...
Věděl bys prosím i zapojení konektoru předFL zrcátek, abych to dal z toho nějak dokupy?
Barvy "samozřejmě" nesedějí, to bych měl asi moc snadný - z fotky poznám akorát dva:
1 - zeleno-žlutý
5 - žluto-černý
Ale budu předpokládat, že zapojení konektoru je stejné a jsou jen jiné barvy a že je použito všech 8 pinů.
Dokonce jsem se dopátral i konektorů, který je od molexu, našel jsem i kde ho koupit, ale ještě potřebuju vyslídit piny a taky konektor tlačítka.
Nicméně:
Klidně bych i koupil ty předFL zrcátka a předělal konektor, jen nechápu, jak je to u nich zapojené, když el. sklopná zrcátka pro předFL auta mají zapojeno jen 7 pinů / 9 drátků na 10 pinovém konektoru...
Věděl bys prosím i zapojení konektoru předFL zrcátek, abych to dal z toho nějak dokupy?
- Přílohy
-
- fordcatalogexample-3d.pdf
- (870.54 KiB) Staženo 283 x
-
- 307001100_sd.pdf
- (719.44 KiB) Staženo 215 x
Ford C-Max 1.8i 16V, 2010, Titanium
Byl: Ford Focus 1.8 TDdi kombi, 1999, ghia
Byl: Ford Sierra 2.0i DOHC kombi, 1989, LX
Byl: Ford Focus 1.8 TDdi kombi, 1999, ghia
Byl: Ford Sierra 2.0i DOHC kombi, 1989, LX
- jirkaj
- Člen klubu

- Příspěvky: 883
- Registrován: 28.04.2013 20:47
- Bydliště: Vsetín
- jenikHK
- Moderátor

- Příspěvky: 3153
- Registrován: 10.03.2008 14:30
- Bydliště: Praha
Re: Elektricke sklapeni zrcatek
Klucííí, pomóóóc, já si už připadám jak dement.
konektor předFL zrcátek na C-maxu vypadá tahkle (jsou to dvě různá zrcátka, dva různí prodejci, takže by to mělo sedět - s el. sklápěním, lampička vespod a blinkr):
Kurník, ta zrcátka mají sice 9 drátků, ale jen 7 pinů na konektoru je obsazených a podle toho schéma výše jich má být obsazených 9. Copak to má c-max jinak, než focus?
konektor předFL zrcátek na C-maxu vypadá tahkle (jsou to dvě různá zrcátka, dva různí prodejci, takže by to mělo sedět - s el. sklápěním, lampička vespod a blinkr):
Kurník, ta zrcátka mají sice 9 drátků, ale jen 7 pinů na konektoru je obsazených a podle toho schéma výše jich má být obsazených 9. Copak to má c-max jinak, než focus?
Ford C-Max 1.8i 16V, 2010, Titanium
Byl: Ford Focus 1.8 TDdi kombi, 1999, ghia
Byl: Ford Sierra 2.0i DOHC kombi, 1989, LX
Byl: Ford Focus 1.8 TDdi kombi, 1999, ghia
Byl: Ford Sierra 2.0i DOHC kombi, 1989, LX
- jirkaj
- Člen klubu

- Příspěvky: 883
- Registrován: 28.04.2013 20:47
- Bydliště: Vsetín
Re: Elektricke sklapeni zrcatek
Kdysik jsem měl c-maxové zrcátka, protože jsem se mylně
domníval, že to musí být podobné a půjde to předělat na FF. Jasně že to nešlo, pak jsem je naštěstí prodal a z konverzace s kupujícím jsem vytáhl tohle:
1 - motorek naklápění nahoru/dolů s kontaktem 3 podle polarity +/- buď nahoru nebo dolů
2 - motorek naklápění vpravo/vlevo s kontaktem 3 podle polarity +/- buď vpravo nebo vlevo
3 - společný pro motorky naklápění viz výše
4 - +12V pro vyhřívání (společně s kostrou pin 5)
5 - společná kostra pro žárovky a vyhřívání
6 - +12V pro osvětlení nástupu
7 - +12V blinkr
8 - sklápění společně s 9 (podle polarity +/- buď sklápíte nebo odklápíte)
9 - sklápění společně s 8 (podle polarity +/- buď sklápíte nebo odklápíte)
10 - nezapojený lepší fotky už nemám, bylo to v roce 2015...
1 - motorek naklápění nahoru/dolů s kontaktem 3 podle polarity +/- buď nahoru nebo dolů
2 - motorek naklápění vpravo/vlevo s kontaktem 3 podle polarity +/- buď vpravo nebo vlevo
3 - společný pro motorky naklápění viz výše
4 - +12V pro vyhřívání (společně s kostrou pin 5)
5 - společná kostra pro žárovky a vyhřívání
6 - +12V pro osvětlení nástupu
7 - +12V blinkr
8 - sklápění společně s 9 (podle polarity +/- buď sklápíte nebo odklápíte)
9 - sklápění společně s 8 (podle polarity +/- buď sklápíte nebo odklápíte)
10 - nezapojený lepší fotky už nemám, bylo to v roce 2015...
- jenikHK
- Moderátor

- Příspěvky: 3153
- Registrován: 10.03.2008 14:30
- Bydliště: Praha
Re: Elektricke sklapeni zrcatek
Jirko, děkuji - hlavně na fotky. Zírám tu na ně a pak mi to došlo - před FL el.sklopná zrcátka musí mit 9 pinu a 11 drátků.
Takže obě dvě zrcátka u obou prodejcu nejsou el. Sklopná a oba prodejci nezávisle neví, co prodávají - jsou to lamy, mají "obyčejná" ghia zrcátka s blinkry a svetly nástupu.
Takže akce tim pádem padá...
Takže obě dvě zrcátka u obou prodejcu nejsou el. Sklopná a oba prodejci nezávisle neví, co prodávají - jsou to lamy, mají "obyčejná" ghia zrcátka s blinkry a svetly nástupu.
Takže akce tim pádem padá...
Ford C-Max 1.8i 16V, 2010, Titanium
Byl: Ford Focus 1.8 TDdi kombi, 1999, ghia
Byl: Ford Sierra 2.0i DOHC kombi, 1989, LX
Byl: Ford Focus 1.8 TDdi kombi, 1999, ghia
Byl: Ford Sierra 2.0i DOHC kombi, 1989, LX
- jirkaj
- Člen klubu

- Příspěvky: 883
- Registrován: 28.04.2013 20:47
- Bydliště: Vsetín
Re: Elektricke sklapeni zrcatek
Přijde mi, že těch drátů je 10, pinů 9
1 hnědý
2 zelený
3 2x šedý (spojené motorky náklonu)
4 černý
5 oranžový
6 žlutý
7 červený
8 modrý
9 bílý
8 a 9 je to co hledáš (motorek sklápění)
ale to jenom tak odezírám z těch fotek, už si to nepamatuju...
1 hnědý
2 zelený
3 2x šedý (spojené motorky náklonu)
4 černý
5 oranžový
6 žlutý
7 červený
8 modrý
9 bílý
8 a 9 je to co hledáš (motorek sklápění)
ale to jenom tak odezírám z těch fotek, už si to nepamatuju...
Naposledy upravil(a) jirkaj dne 04.09.2018 21:00, celkem upraveno 1 x.
- jenikHK
- Moderátor

- Příspěvky: 3153
- Registrován: 10.03.2008 14:30
- Bydliště: Praha
Re: Elektricke sklapeni zrcatek
Tak ono to treba i pujde
, jen teda doufam, že bude stačit upravit kabelaz zrcatka, resp. predelat konektor a bude vse slapat a ze neni mezi predFL a po FL nejaka dalsi bota.
Nasel jsem teda zrcatko meziFL a prodejce komunikuje a poslal fotku konektoru, kde je 9 pinu. Teda jen prave, ale do zacatku by mi i stacilo
Nasel jsem teda zrcatko meziFL a prodejce komunikuje a poslal fotku konektoru, kde je 9 pinu. Teda jen prave, ale do zacatku by mi i stacilo
Ford C-Max 1.8i 16V, 2010, Titanium
Byl: Ford Focus 1.8 TDdi kombi, 1999, ghia
Byl: Ford Sierra 2.0i DOHC kombi, 1989, LX
Byl: Ford Focus 1.8 TDdi kombi, 1999, ghia
Byl: Ford Sierra 2.0i DOHC kombi, 1989, LX
Kdo je online
Uživatelé prohlížející si toto fórum: Žádní registrovaní uživatelé a 2 hosti

