Angel eyes
- fplisek
- Zkušený

- Příspěvky: 1254
- Registrován: 02.02.2008 03:18
- Bydliště: Ohrazenice okr. Třebíč, Brno
- Kontaktovat uživatele:
Re: Angel eyes
A už víš přesně jaký? Já je půjdu za chvíli koupit, tak že bych kondíky koupil taky, teď řeším s cr4sh3r87 jak je co nejefektivněji zapojit
Ford Focus 1.8 TDCi 85kW + Bluefin, K&N, IC z FoFoII, Silver, 17" Wolf, Eibach, RS nárazník, xenony, nivelace, ostřiky, ST vyhřívané sedačky, vyhřívané čelní sklo, 4x el. okna, digi klima, BC, el. šíbr, tempomat, alarm: Galerie


- fplisek
- Zkušený

- Příspěvky: 1254
- Registrován: 02.02.2008 03:18
- Bydliště: Ohrazenice okr. Třebíč, Brno
- Kontaktovat uživatele:
Re: Angel eyes
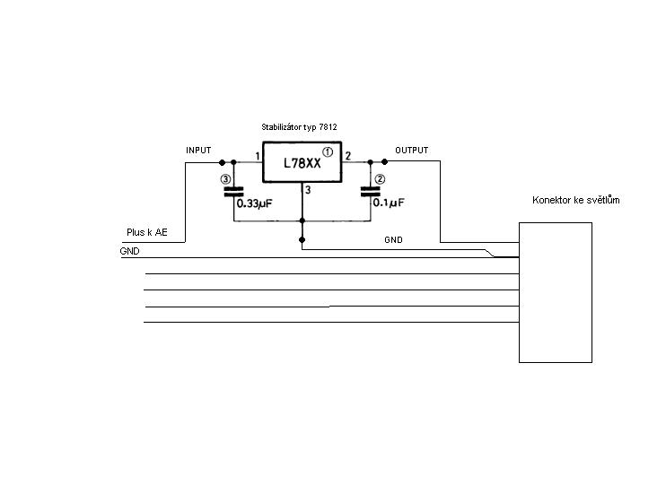
Tak už jsem zjistil z datasheetu jaký kondíky by měly být použity, navrhnul jsem zapojení, kdyžtak to zkontrolujte vy, co se vyznáte v elektrice, jestli je to zapojení dobře
, kondíky jsou použity elektrolytické, pouzdro stabilizátoru TO-220
Ford Focus 1.8 TDCi 85kW + Bluefin, K&N, IC z FoFoII, Silver, 17" Wolf, Eibach, RS nárazník, xenony, nivelace, ostřiky, ST vyhřívané sedačky, vyhřívané čelní sklo, 4x el. okna, digi klima, BC, el. šíbr, tempomat, alarm: Galerie


- Kroco02
- Pokročilý

- Příspěvky: 801
- Registrován: 20.08.2008 09:16
- Bydliště: Slušovice [Zl]
- Kontaktovat uživatele:
Re: Angel eyes
Tak to zapojení máž z datasheetu, jak jsem psal, takže určitě bude dobře, navic se uvadi stejne hodnoty kondiku u vice vyrobcu.. jen je trochu problém, že stabilizator má úbytek kolem 5V, což už je docela dost.. Někde jsem ještě slyšel o možnosti dát tam stabik na 10V a nejak zapojit odpor (buď by se použit spínaný měnič,ale ten moc levný není, proto použít stabilizátor 7810 a zmenšit odpor v serii s LED diodami), ale asi bych to nechal na tom zapojení, jak jsi nakreslil..fungovat bude dobře a účel to snad splní..
- Kroco02
- Pokročilý

- Příspěvky: 801
- Registrován: 20.08.2008 09:16
- Bydliště: Slušovice [Zl]
- Kontaktovat uživatele:
Re: Angel eyes
Takže mi napsali, že je to FK pro které to vyrábí DEPO, žárovky jsou 2x H7..Takže by to měli být ty tvoje..fplisek píše:Já vím, vzhledově jo, ale nejsou od FK, ani tam není uvedený výrobce, mě se tyhle prostě nějak nezdajíKroco02 píše:Dyt jsou to tyto, co mas ty, jen v cernem..
- mosad
- Junior

- Příspěvky: 347
- Registrován: 02.02.2008 03:18
- Bydliště: Plzeň
Re: Angel eyes
to Kasi: na tom odkazu jsem už před časem byl, maníkovi jsem dokonce volal, aby ceny potvrdil, pravil, že už na tu stránku rok nešáhl, protože to nikdo neobjednává a tak ceny neplatí. Slib, že pošle nové nedodržel.
Budu je případně objednávat u Auto Kelly. Cena s xenonem je 34 tisíc + doplnění ostřikovačů světel 5 800, bihalogeny s naklápěním DynaBeam 25 500 a bihalogen bez naklápění cca 16 900. Elit je o několik tisíc dražší.
Budu je případně objednávat u Auto Kelly. Cena s xenonem je 34 tisíc + doplnění ostřikovačů světel 5 800, bihalogeny s naklápěním DynaBeam 25 500 a bihalogen bez naklápění cca 16 900. Elit je o několik tisíc dražší.
- Kroco02
- Pokročilý

- Příspěvky: 801
- Registrován: 20.08.2008 09:16
- Bydliště: Slušovice [Zl]
- Kontaktovat uživatele:
Re: Angel eyes
Ještě jsem našel tyhle, máte je někdo na autě, či podle fotek lze poznat, jestli mají prostor pro motorky? Kdo myslíte že je výrobce? Psal jsem prodavajici, ale napsala jen ze tomu nerozumi a nic víc neví, ze bohuzel nedokaze pomoct..Prodávají je i na ebay.de, ale taky jsem tam nenašel, jestli el. naklápění tam je, nebo ne.. Navíc se tam dává 2xH1, což znamená zhoršená svítivost oproti H7, alespoň podle toho, co jste tu psali..
- mosad
- Junior

- Příspěvky: 347
- Registrován: 02.02.2008 03:18
- Bydliště: Plzeň
Re: Angel eyes
Ke svítivosti, na lampě je uvedena hodnota 12,5 originál lampa s žárovkou H4 má hodnotu 20. Já to jako laik vnímám tak, že to prostě dává méně světla. Wikipedie říká, že: Svítivost udává prostorovou hustotu světelného toku zdroje v různých směrech. Logicky čím nižší číslo, tím méně světla??
-
Wolf2
Re: Angel eyes
to mosad - raději bych za ty prachy šel do origo xenonů za cca 16tis kč a ještě ušetříš

- kasi
- Test driver

- Příspěvky: 8468
- Registrován: 02.02.2008 03:18
- Bydliště: Domažlice(CZ)
- Kontaktovat uživatele:
Re: Angel eyes
asi tak nějak už moc nehledej nebo si kup ty helly jak měl Boban 
je Ford Focus 1.8L Zetec-E EFI r.v.00,Sedan,Pacific Green Metallic,Ghia
byl Ford Focus 1.8L Endura TDdi r.v.99,Hatchback,Moondust Silver Metallic,Ghia

byl Ford Focus 1.8L Endura TDdi r.v.99,Hatchback,Moondust Silver Metallic,Ghia

- fplisek
- Zkušený

- Příspěvky: 1254
- Registrován: 02.02.2008 03:18
- Bydliště: Ohrazenice okr. Třebíč, Brno
- Kontaktovat uživatele:
Re: Angel eyes
Tak jsem teď vybastlil stabilizátory
, zítra jdou na auto 
Ford Focus 1.8 TDCi 85kW + Bluefin, K&N, IC z FoFoII, Silver, 17" Wolf, Eibach, RS nárazník, xenony, nivelace, ostřiky, ST vyhřívané sedačky, vyhřívané čelní sklo, 4x el. okna, digi klima, BC, el. šíbr, tempomat, alarm: Galerie


- Kroco02
- Pokročilý

- Příspěvky: 801
- Registrován: 20.08.2008 09:16
- Bydliště: Slušovice [Zl]
- Kontaktovat uživatele:
Re: Angel eyes
Hezky sis s tim pohral 
- fplisek
- Zkušený

- Příspěvky: 1254
- Registrován: 02.02.2008 03:18
- Bydliště: Ohrazenice okr. Třebíč, Brno
- Kontaktovat uživatele:
Re: Angel eyes
Tak jsem dneska stabilizátory namontoval a vyměnil jsem jednu diodu v proužku, která mi nesvítila, zjistil jsem, že místo diod jsou v pruhu a kroužkách klasické celoskleněné žárovky 12V W5W, takže teoreticky jsem tam možná ty regulátory přidělával zbytečně, ale jistota je jistota
, kdybych chtěl do budoucna někdy změnit barvu AE nebo pruhu, tak by to bylo úplně jednoduchý 
Ford Focus 1.8 TDCi 85kW + Bluefin, K&N, IC z FoFoII, Silver, 17" Wolf, Eibach, RS nárazník, xenony, nivelace, ostřiky, ST vyhřívané sedačky, vyhřívané čelní sklo, 4x el. okna, digi klima, BC, el. šíbr, tempomat, alarm: Galerie


- mosad
- Junior

- Příspěvky: 347
- Registrován: 02.02.2008 03:18
- Bydliště: Plzeň
Re: Angel eyes
to Wolf 2 a Kasi: no já se s cenou těch Hella DynaBeam lamp dostanu na 16 400. Je to plug and play sada, takže obsahuje i redukce konektorů - nemusí se nic štípat a přepojovat a mělo by to makat tak, jak je to zapojené nyní na H4. Součástí je i naklápění ovládané z místa řidiče - má to nějaké své motorky, nemusí se přendavat.
Ty Helly co měl Boban se mi moc nelíbily.
Za nové origo xenony by si ve Fordu v Plzni řekli 13 500 za jednu lampu. U nich bych se na 16 za obě nedostal. U jetých asi jo.
Ty Helly co měl Boban se mi moc nelíbily.
Za nové origo xenony by si ve Fordu v Plzni řekli 13 500 za jednu lampu. U nich bych se na 16 za obě nedostal. U jetých asi jo.
- JardaL
- Nováček

- Příspěvky: 9
- Registrován: 02.02.2008 03:18
Re: Angel eyes
Ta cena bude za asi samotnou prázdnou lampu.mosad píše:
Za nové origo xenony by si ve Fordu v Plzni řekli 13 500 za jednu lampu. U nich bych se na 16 za obě nedostal. U jetých asi jo.
Podle Microcatu jsem našel Finis kody a zadal do ceníku Fordu na netu:
- lampa 11.300,-
- cívka 6.450,-
- modul 12.660,-
- výbojka 2.450,-
http://www.fordoriginalnidily.cz/index.php
- Kroco02
- Pokročilý

- Příspěvky: 801
- Registrován: 20.08.2008 09:16
- Bydliště: Slušovice [Zl]
- Kontaktovat uživatele:
Re: Angel eyes
Hosi nechci Vam do toho kecat, ale nechteli byste si na xenony udelat zvlastni vlakno
+ moderatori by vsechny prispevky k tomu presunuly tam.. 
Kdo je online
Uživatelé prohlížející si toto fórum: Žádní registrovaní uživatelé a 2 hosti



